广播发烧网

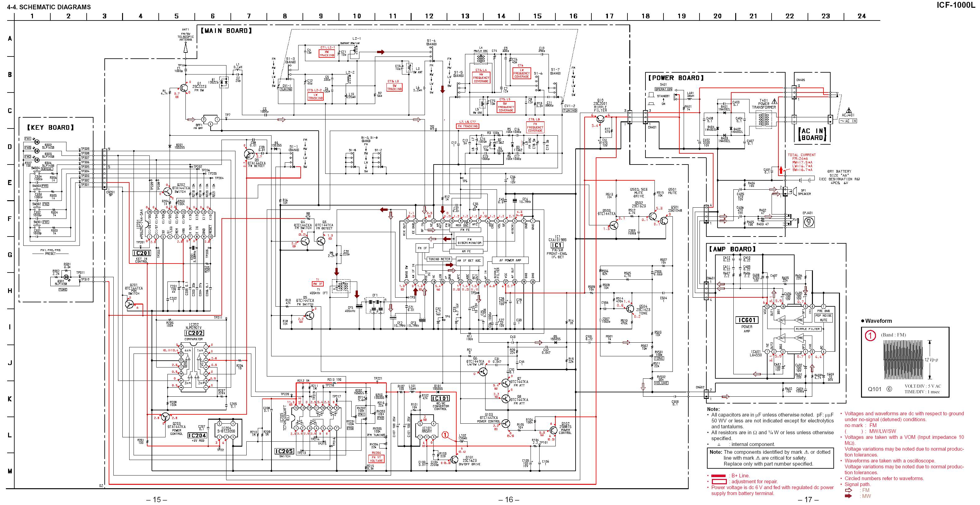
SONY ICF-1000L电路图

广播发烧网 发布于 电路及维修

SONY ICF-1000L

频率范围:
LW 160-250KHZ
MW 531-1600KHZ
SW 6-18MHZ
FM 88-108MHZ


Sony ICF 1000L MONO Mains/BATT 4W NEU 10 
General
Product Type: Portable radio

Width: 29.7 cm

Depth: 8 cm

Height: 14.1 cm

Weight: 1.32 kg

Enclosure Colour: Brown, golden

Localisation: English

Audio system
Tone Control: Yes

Radio
Type: Radio tuner - 4-band - radio tuner - AM/FM , LW, MW, SW

Tuning Display: Tuning scale

FM Preset Station Qty: 3 preset stations

Aerial Form Factor: Built-in AM / telescopic FM

Connections
Connector Type: 1 x headphones
 
Manufacturer"s product description
Stay in touch with the outside world, wherever you go! Sony Portable Radio choices range from pocket-sized transistor radios to digital-tuning models with TV and Weather band reception. You can even choose among splash-proof models that will keep you up on the latest news while you shower! ICF1000L specially designed high sound quality radio features analog FM/MW/LW/SW tuner, 3 FM presets, tone control, and tuning indicator. 
Power
Power Device: Power supply - integrated

Battery
Battery: 4 x battery - AA type

Manufacturer warranty
Service & Support: 1 year warranty

Service & Support Details: Limited warranty - 1 year

Ciao
Listed on Ciao since : 22/04/2004
 





先上SONY ICF-1000L的广播生活图


再上SONY ICF-1000L的电气电路图




文章目录