广播发烧网
首页
玩机交流
交流
评测
故事
收音机
机型研究
电路及维修
相关附件
数码时代
网络收音机
智能收音机
收音机APP
电波动态
BCL
动态
QSL
登录
首页
玩机交流
交流
评测
故事
收音机
机型研究
电路及维修
相关附件
数码时代
网络收音机
智能收音机
收音机APP
电波动态
BCL
动态
QSL
登录
一个专门探讨收音机、无线电资源的广播发烧友网站
首页
标签:德律风根
德律风根开机没声检修
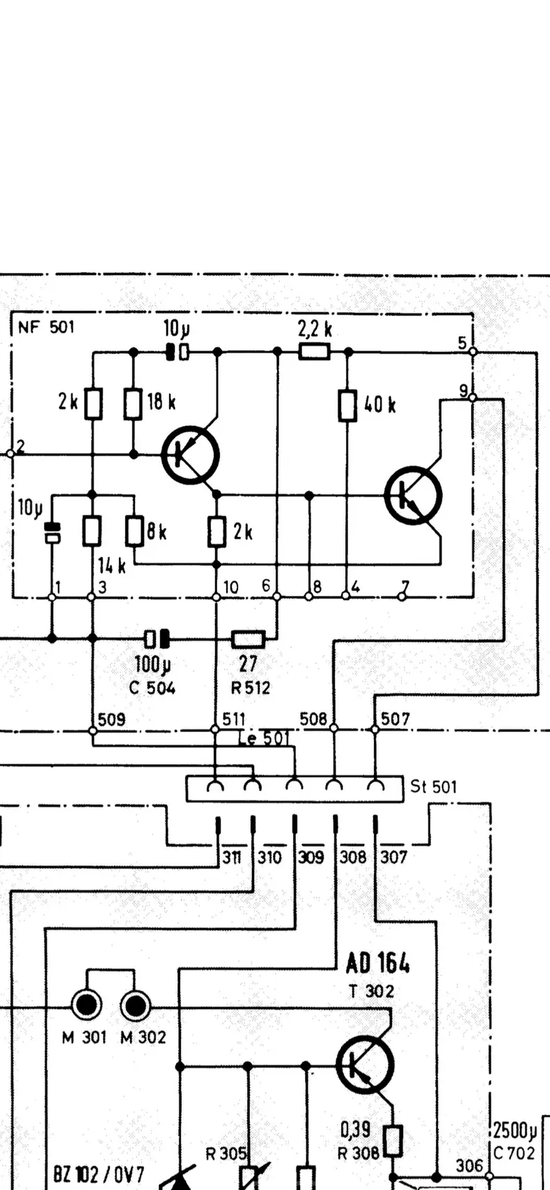
德律风根101,开机没声,测量电压正常,功放管正常,推动级电压正常,推动模块肉眼可见右下角有熔了一片,暴力剪开这个角落,根据原理图用一个PNP代上,正常工作了,...
电路及维修
#收音机
#德律风根
广播发烧网
·
12 个月前
0
2544
0
维修笔记01:一台 德律风根GAVOTTE 9 电子管收音机的修复兼出手
一、 基本情况:机器呈流线型,尺寸大约为:宽47cm高31cm厚20cm &nb...
电路及维修
#收音机
#维修
#德律风根
广播发烧网
·
2010-09-13 00:00
0
2759
0