广播发烧网

伪满“标准型4号受信机”修复记

广播发烧网 发布于 电路及维修

春节前夕,忍不住诱惑,买了高山水朋友的一台日伪老机“标准型4号受信机”。节后该机到手时的大致状况:机器基本完整,除缺原电源插头和58、57两管的屏蔽盒帽外,其他各部件都在。电源开关损坏,卖家随机送一只应该是原机型的旧开关。接100V电源,除功放管不亮外,其他管和两个度盘灯都亮,喇叭无声,电变二次侧各组电压正常,各管高压无电。外观状况:喇叭布局部破损(灰尘覆盖图中看不太清),机壳局部掉皮掉肉,上盖大部开胶,金属饰物严重氧化,其他及内部情况如图(原卖贴的图)。







    修机简要过程:
    经细致检查,该机的舌簧喇叭线圈断路、纸盆与盆架完全开胶脱离,40H扼流圈内部线圈断路,功放管原机47B已被用56低放管(手术后)代替,且灯丝不通,电位器不通,空气电容动片与引出接线接触不良,组合滤波电解盒内所有电解全部失效,几处地线与底板接触不良等。
    
    修复工作先从修复损坏的元件开始:
    1、舌簧喇叭的修复。小心分解喇叭,先焊下纸盆,再从马蹄形磁铁内取出线圈。因线圈漆包线已全部粘在一起,只好用刀割开全部拆除,骨架留用。测得原线圈所用线径为0.08mm,正好手中有一轴此规格的漆包线(小时候让在电修厂工作的大朋友给要的,当时作高阻耳机和小变压器用的),在原骨架上绕满(没记圈数),测得直流电阻1100欧姆。线圈缠好后,和舌簧等部件重新与磁铁组合起来,再将纸盆与盆架粘牢,并做个垫圈粘上。然后将磁铁舌簧组件装回盆架,细心调整好舌簧的间距和位置后,与纸盆焊接和螺丝固定牢固,即告成功。试用相当不错,音量、音质都明显好于网上购买的8寸10K舌簧喇叭。
   这是修复后的舌簧喇叭:





这是网上购的舌簧喇叭,对比一下:






    2、扼流圈的修复。原损坏的40H扼流圈,电流30ma,铁心是50X60X20的,因手中有副拆开的45X55X2的铁心,是0.35的片子,并还有骨架,故考虑暂不拆修原机扼流圈(留作标本吧),而用手中的铁心和骨架重新绕制。该骨架上还有原来的初级绕组(0.13的线,够用)不用拆除,可以利用,手中有一个拆自电度表的线圈,线径0.17,稍粗些,应该可以用。便在该骨架上接续原绕组又绕了3800圈左右,已绕满骨架,铁心顺插,间隙0.25时电感32H,俺认为够用,便装到原位置,效果很不错!
    安装完毕的32H扼流圈 



这个是原机拆下的断路的40H扼流圈,先不拆它:



    3、功放管的修复。到手时该机上用的4只管子都是小日*(妈祖大)的管子。



    该机原用功放管应为47B,可能是后来因47B损坏,一时找不到相同管,故将一地方3极管56号管实施改造手术后变通代换使用的,照片上可以看到将56的阴极(4脚)截断,将引线并接到灯丝(5脚),来模拟47B的阴极结构,而使机内47B的帘珊(4脚)悬空。





    经测量56灯丝不通。记得以前有数个灯丝不通的管子都是管脚引线脱焊,而并非是灯丝烧断。死马当活马医,小心弄松玻壳与管腰的粘接处,用烙铁烙脱引线,玻壳便与管腰脱离,这时测量灯丝引线,已正常通路。便小心接上一段引线,按原位置穿入管脚将玻壳装回管腰,将管脚和引线焊牢,再用502将粘接好玻壳,试机在12F老化的情况下可勉强工作。至此56管修复。

    4、组合滤波电解电容的代换修复。该类机型的5个滤波电解均被集成在一个80X40X15mm的扁方盒内,用6根引线引出,其中1根为公共负极,其他5根分别为各电解的正极,盒上标明两种规格:一种是12uf/300v(4只电容),另一种是10uf/50v(1只电容。即与电变2.5V灯丝绕组中心抽头接地的750欧姆电阻并联的那个)。由于年代太久,盒内电解全部失效。







机内一只并接的纸质电解(62年产的天光牌8uf/450v)也已失效。

    
为了保持原机风格,不考虑用如今电子管机常用的那种电解代替,而是将盒内失效电容拆除,找到了几只小型电解,1只22uf/450v的,3只4.7uf/400v的(电子镇流器上拆的),1只10uf/50v的,焊接好后装入原盒内,将盒子装回机内,外观与原装无异。




    5、电位器的修复。该机使用的是一只10K线绕电位器,经检测系内部断路,开始想找一只相同阻值的电位器替换,但原机安装孔直径较小,又不想扩孔,无奈只有想办法修复,用电钻钻开铆钉,拆开电位器,取出线绕阻圈,发现两处断线,细心在中点滑动触片接触点以外将断处焊好,清洗后找了一直径、长度相应的螺丝代替原铆钉重新组合好,装机使用。



    6、空气可变电容器的修复。主要是对空气4连和再生空气单连动片接触簧片与动片铜轴接触面的清理,清楚氧化层,再涂上电器触点润滑剂,便告修复。





    7、机壳整复及除尘。本着整旧如旧原则,开胶处粘牢,喇叭布破损处修补,高压空气除尘及部分水洗。

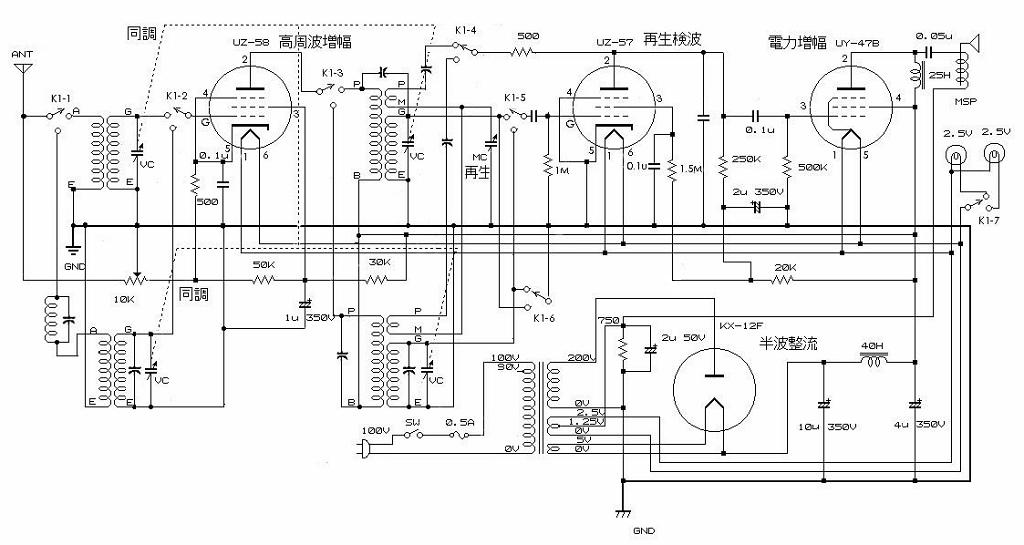
    8、按实物绘制标准型4号受信机电路图(含修机器情况)
因没找到本机型电路图,只好自己动手,在日本“放送局型第3号受信机”电路图的基础上,对比实物反复核对,修改绘制了一幅电路图。由于该机年代久远,日昭和11年(1936年)出品,肯定经过N次维修,不知维修者对原机电路有无修改,请各位老师和同学批评指正。如能赐俺一份该机型的标准图纸,将不胜感激之至!
    图中几个云母电容,因看不到标值而未标数值;该机所用空气四连测了下,高容量连每连约61~470p;低容量连每连约27~61P(2定片1动片)。

俺绘制的标准型4号受信机电路图


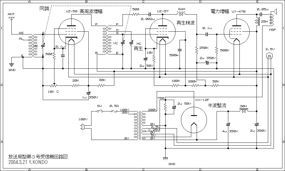
下图是所参考的放送局型第3号受信机电路图


    9、整机通电检测。对机器加电(100v),发现高压输出不足,并在刚开机时相对高些,工作一段时间后明显下降,确定为整流管12F已老化,导致整流输出高压降低,一般在60~90V,使高放、检波再生和功放各级管子工作在非线性区、造成声音失真、灵敏度降低,甚至再生不起作用。而当用晶体整流二极管代替12F后,高压升至160v左右,但原代用的56管不能正常工作,无声音输出。分析应该是原机当整流管12F老化时,致使56管的屏流在尚能工作的范围内,一旦高压恢复正常,56管便不能工作了(原机47B用56代换时各极电路未改动,工作点也未调整)。后来俺买了一只47B换上机,用原机12F作整流时,开机后收听效果不如用56管,用晶体二极管整流时,机器灵敏度、选择性戛然变好,音量、音质与一台对比用的红灯711-2差别不太大,真不敢相信这是舌簧喇叭发出的声音!俺还记得小时候做的晶体管舌簧喇叭收音机的那种声音。俺就又买了了一只12F管,近日已到手并换上。
    在修机过程中,又分别对各级电压检测,发现高放级帘珊极电压太低,原来是那只塑壳蜡封滤波电解严重漏电,故将该电解芯掏空,按组合电解盒如法炮制,在塑壳内装进一相同参数的小电解。


    再对几个微调电容进行必要的调节,使机器收音达到相对较好状态,至此机器基本正常工作。
    关于该机的两个波段。根据测得可变电容和调谐线圈现有参数的计算结果:
波段一:471~1304KHz;波段二:1621~2436,都在中波范围内。
用信号发生器实测结果:波段一:493~1350KHz ,波段2:实测可接收到1800~3250KHz范围的载波信号(2400KHz左右信号最强),有待进一步研究。参数计算结果和仪器测量结果不十分吻合,可能是二者不是同时进行的,并且测量线圈电感时屏蔽罩没有罩上,参数会有变化而造成的。
接收状态:接室外天线(用电灯花线从6楼窗子扯出到8楼楼顶),波段一低端可收听到540K中国之声、高端可收听到1296K本地电台,中间频率段省台和邻近城市电台,还有一外台,所收电台数与一般电子管收音机(对比机:红灯711-2)基本一样,就是调谐相对麻烦些。无混台现象,音质也较满意;波段二只有干扰噪声。天线接3米软线拖地,可收到本地电台,音量达到可听程度,用手摸软线,音量明显增大,干扰噪声亦增大。
    关于波段二不是短波波段问题——“民国26年7月,
战争全面爆发,上海无线电制造业进一步受到打击。民国31年,侵沪日军禁止市民使用七灯以上的收音机,并强迫市民拆除收音机的短波线圈”-------这是bios先生一个帖子《中国的收音机》中的一段话(原文见点击打开连接)由此推断,当时日本鬼子统治下的伪满工厂制造的收音机是不会安装短波波段的。也说明标4的两波段,不是中波和短波,而是两个中波波段。据分析:是当时日本鬼子故意封锁外界信息而不让咱们接收短波,以利于其奴役咱中国人,真真是可恶!度盘上的伪满洲国地图更是其侵略和奴役中国人民的罪恶行径的力证。(注:在此应高喊:“打倒脚盆帝国主义!!”)



下图是机器修复后的样子,稍后再上些局部PP。





所缺58、57两管的屏蔽盒帽以后DIY一个,电源插头原型的不好配了,慢慢碰运气吧!以上瞎分析的较多,错误之处诸DX请批评指正,俺将不胜感激之至!

文章目录