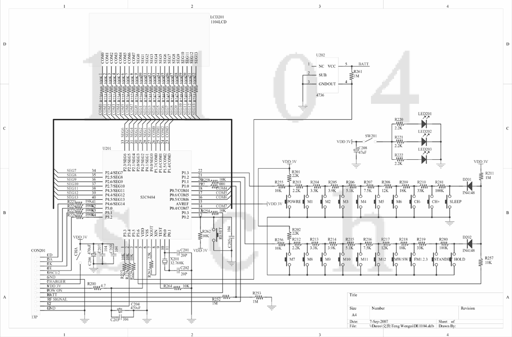
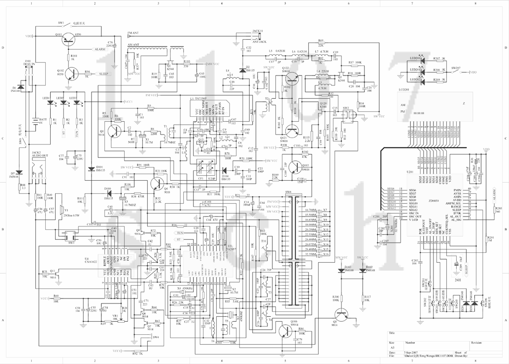
德劲1104、1107电路图 广播发烧网 发布于 2007-9-8 00:00 电路及维修 #德劲 #1104 #1107 文章目录 × 推荐阅读AM/FM收音机的安装与调试德生PL757、R-9701、R-818、R-202T系列收音机原理、维修与实测数据浅析德生BCL3000的电路熊猫802-1收音机电路分析与维修德生PL-380小打磨收音机工作原理矿石收音机制作教程(一)新人试做TEF6686 DSP 收音机德生R-9701收音机电路原理解析给PL380无损加装外接中波天线功能 上一篇 安键A-1220简评及周末上山亮骚记 下一篇 没有特色不开店----写在凯隆DSP收音机上市之际