广播发烧网

找出PL600破音的原因了

广播发烧网 发布于 电路及维修

我的PL600戴耳机听FM,在大动态音乐时会破音,很难受

原以为是中频或者鉴频没有调好,结果调了一下没有改善。

把耳机接到示波器的CH-1输出端,用示波器当放大器

接到TA2057的19脚,FM OUT,此时声音相当好,高音很亮丽,原来听不到的高音细节现在都听见了,底杂很低,简直和CD有一拼

接到12或13脚,声音变暗淡了很多,但也很不错。绝对没有爆音。







难道是音频放大出问题?

通过示波器在接到PL600的耳机输出单,还是严重的破音,看波形到一定的频率都截止了

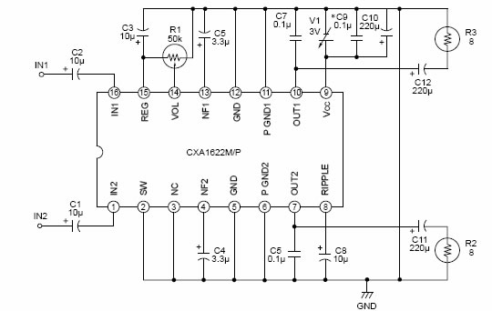
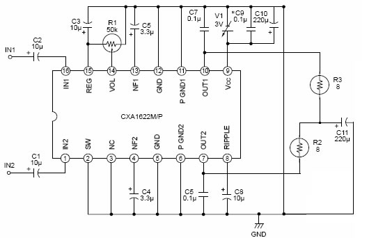
仔细分析发现PL600里面接法是这样的:




请问各位大侠这种和官方的图有什么区别?

文章目录