广播发烧网

兔兔收拾R71E掉电的经历,献给众多拥有R71E的朋友们

广播发烧网 发布于 电路及维修

 兔兔虽然在广坛上算是很早就注册了的“老鸟”,不过手头上最好的机器还是04年购入的一台8成新的ICOM-R71E。这台机子有个家喻户晓的Bug:它的RAM板设计上受当时器件条件的影响,一切数据都需要一块电池维持着。从购机那天起,我就盘算着什么时候给它换块新电池。
    05年8月22日,按LP大人的话就是:这一天,兔兔成功的用8块钱毁了个800块钱的东西。虽然好歹有点电子知识,虽然已认真拜读了先人的经验,虽然焊的时候拔了烙铁插头并对地放了电。但机器装回去后还是不响了。症状是:除了没有声音外,其他一切正常。总结一下,原因可能有两个:1、RAM局部数据丢失;2、其他地方(以VCO为最)损坏。
    最好的办法就是找bg6qbv大侠买块不掉电RAM板。可是兔兔还是学生,穷得叮当响,只有琢磨着自己搞搞看。拜读了广坛的帖子(http://bbs.leowood.net/web/leowood/forum/forum_read.asp?id=80622&page=8&property=0&ClassID=0) 
其中guaguagua大侠给出了RAM内的原始数据:
                    +1              +2              +3               
     0123456789ABCDEF0123456789ABCDEF0123456789ABCDEF0123456789ABCDEF
     ||||||||||||||||||||||||||||||||||||||||||||||||||||||||||||||||
000: 00F1FF1FF002FFFF000B59686800032005930005000000000100000030003000
040: 10000000300FFFFFFFFFFFFFFFFFFFFFFFFFFFFFFFFFFFFFFFFFFFFFFFFFFFFF
080: FFFFFFFFFFFFFFFFFFFFFFFFFFFFFFFFFFFFFFFFFFFFFFFFFFFFFFFFFFFFFFFF
0C0: FFFFFFFFFFFFFFFFFFFFFFFFFFFFFFFFFFFFFFFFFFFFFFFFFFFFFFFFFFFFFFFF
100: FFFFFFFFFFFFFFFFFF000F100000000000000170000000000024306990000000
140: 0000265681720000000000265681720000000000205941900000000000205607
180: 1100000000002051000100000000003060807000000000003399604100000000
1C0: 0030608530000000000020510510000000000020543310000000000038659082
200: 0000000000205955510000000000205245510000000000356080820000000000
240: 2051000100000000002051052000000000002051005000000000002051859000
280: 000000002051159000000000002051069000000000003060801200FFFFFFFFFF
2C0: FFFFFFFFFFFFFFFFFFFFFFFFFFFFFFFFFFFFFFFFFFFFFFFFFFFFFFFFFFFFFFFF
300: FFFFFFFFFFFFFFFFFFFFFFFFFFFFFFFFFFFFFFFFFFFFFFFFFFFFFFFFFFFFFFFF
340: FFFFFFFFFFFFFFFFFFFFFFFFFFFFFFFFFFFFFFFFFF0000000035681810000000
380: 00002050915000FFFFFFFFFFFFFFFFFFFFFFFFFFFFFFFFFFFFFFFFFFFFFFFFFF
3C0: FFFFFFFFFFFFFF0000000000000000000000000000000000FFF0FFFFFFFFFF71
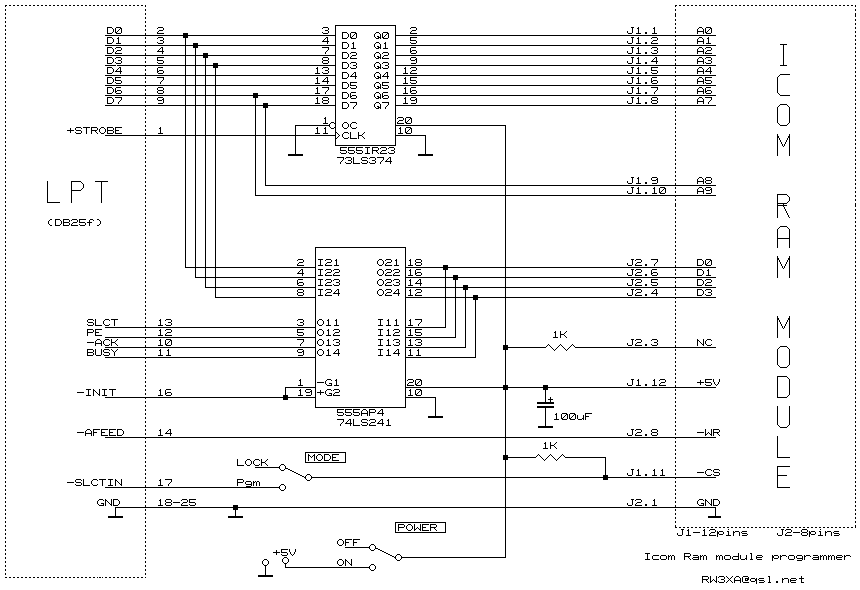
同时,卸下RAM板,花时间把电路图绘了下来:

要说明的是,我所知道的RAM板有两种长相:



我的是前面那一种,不过RAM芯片是UPD446C,24脚。查了老半天没有这个家伙的资料(NEC自己的网站上都没有,想死~~~),只是有只言片语说这家伙与6116兼容,都是2K8bit的RAM,待绘出电路图后发现确实与6116兼容。至于另一种RAM板,用的是种18脚的芯片,这个我就不知道了是什么东西了。。。
    有了上面的资料,没太仔细分析,我就觉得一切都完备了,不就是把数据写入对应地址的RAM地址么?于是用89c2051搭了个简单电路,电路图上的J2.3,J1.23接+5V,J2.1,J1.11接GND,J2.8是写允许(低电位有效),其余各脚就是相应的数据线,地址线了。写了N遍,不行!不但没声音,这回连“图象”也乱了(显示屏出乱码)。于是重新编程,单片机写完后再校验,问题出来了:RAM芯片有几个地址已经损坏,根本保存不了数据,估计还是换电池时静电、受热等原因引起的。懒得花钱花时间去买芯片了,抱着试试的态度将RAM芯片的19脚(A10)与地之间的连接划断,并与24脚相连(置高),以使用RAM芯片闲置的高1K
8bit区域。经读写校验,还好,可以使用。可是,声音还是没有,图象还是乱。真是见鬼了!!
    我开始怀疑起原始数据是否有问题,于是上网到处查,终于发现了国外网站上给的原始数据,一对比,没错呀。。。后来把所有能找到的有关资料都down下来,仔细看,仔细看,终于发现了问题:原始数据所给的地址,是人家老外做的一个并口编程器所定义的地址,不是RAM芯片本身的地址!!!如图:

    
挖靠!!!成也该数据,败也该数据!!不过也怪我不细心,开始绘电路时我就发现7432的12、13脚接的地方“不对”。不多说了,鉴于做好的电路不好改,所以我就在程序中做了地址、数据的转换功能,反正是把数据都写到它该呆的地方了。。。。
    一通电,机器又呜哩呜哩的叫起来,一切恢复正常!顺手把频率扩到10KHz-31MHz(31MHz以上要改电路,麻烦,算了!)。
    以上就是我只为换电池而带来的一系列经历,非常曲折,感觉什么倒霉的事情都给我碰上了!所以,奉劝不想太麻烦的各位R71E的拥有者:能买块不掉点板还是买块算了,才100元还包邮确实很公道。当然了,无论各位最后想如何处置R71E这个Bug,都请记住一句话:R71E掉电不是什么了不起的事,别放在心上,尽情的享受R71E给我们带来的快乐吧!!

文章目录