昨夜读了DE1103的主线路图...
在东北xitonghan先生的努力下,德劲DE1103线路图终于浮出了水面。有了图,自然就会去看,昨夜,竟然把这张1103的主线路看了个通宵,这不!凌晨睡下后到现在才起床!
虽然才疏学浅,但自幼好奇心特强,一边看线路时还一边把手里的DE1103收音机拆开对照,企图去尽量地弄明白这东西,因此就有了一些对1103更深入点的理解(理解未必正确!)和想法,同时顺手拍摄了一些照片,以证明我昨夜通宵确实是在“玩”1103,没有做别的事情!
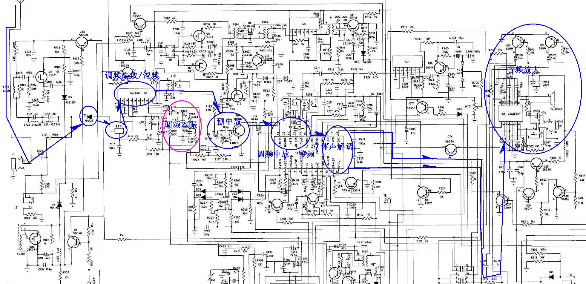
下图是DE1103的主板线路图,是从东北xitonghan先生的网站上下载的,原图太大,贴出来时,我把图纸压缩为2048×1331了,为的是方便上传和阅读!
主线路板上一共有29枚晶体管和7枚集成电路,完成调幅100KHz—30MHz(带SSB解调)、调频76MHz—108MHz的接收/解调(包括立体声解调)、音频放大以及接收机控制切换!
以所使用的晶体管和IC标识...
调幅通道:
Q1 — 短波段天线放大
Q14 — 长波和中波段天线放大
Q7、Q8 — 调幅第一次混频
Q13 — 调幅本振
Q12 — 调幅本振缓冲
IC6 — 第一中频放大及第二次变频
IC2 — 第二中频放大、解调
Q2 — 第二本振
Q19 — SSB接收拍频振荡
IC7 — SSB接收解调
调频通道:
IC1 — 调频高频处理,完成调频高放、本振、混频
Q11 — 调频中频预放大
IC2 — 调频中频放大、鉴频、立体声解调
音频通道由IC3、IC5等完成(IC3线路输出缓冲,IC5音频放大),Q9、Q10是音调控制开关管。
把调幅和调频通道信号走向画两张图比较明了...
调频通道:
调幅通道:
从这两张图看,调频在1103中属于一般的普通线路,而比较复杂的、也是1103比较突出的是它的调幅处理,以前,坛子上有人问过,1103调幅连续覆盖100KHz—30MHz是如何实现的,在没有看到线路以前,按照以前收音机设计的概念,这个问题确实是个问题!因为要覆盖100KHz—30MHz,在以前都要划分为好些波段去实现,这一划分,其中的滤波器、振荡线圈必定众多如麻,然后,拆开1103机盖却看不到这些东西,因此这常常困惑了许多的收音机爱好者!
看上边的图,再想一下,问题的答案就出来了!这奥秘原来在第一中频采用高中频中,55.845MHz的高中频!
当接收频率是100KHz时,本振频率是:55.845MHz+0.1MHz=55.945MHz
而当接收频率是30MHz时,本振频率是:55.845MHz+30MHz=85.845MHz
因此,DE1103调幅覆盖100KHz—30MHz,其本振只需从55.945MHz变化到85.845MHz即可,覆盖系数:
K=f(max)/f(min)=85.845MHz/55.945MHz=1.53
覆盖系数比一般收音机的中波还低一半!
同时,在二次变频中,第一中频选用高中频还有许多其他的好处!可见,DE1103选用55.845MHz的高中频确实巧妙!
但选择如此高的第一中频也会带来有不好办的方面,最突出的问题就是第一中频放大要如何来抑制来自第一本振频率的干扰问题!
例如:当收音机接收100KHz频率时,本振频率是55.945MHz,这时,中心频率是55.845MHz的中频变压器要滤除55.945MHz的本振信号的话,其Q值估算一下...
在带宽为100KHz时,Q=55.845MHz/(2×100KHz)=279
这样的话,滤波器Q值将要大于279!
看来,DE1103的一个技术关键可能就在这里!为此,DE1103采用了场效应管平衡混频,根据王新成老师的《晶体管收音机中的新技术》一书上讲述,平衡混频能很有效地抑制本振频率的干扰!
但这种平衡混频对于线路要求也很高,混频器线路要求对称性要很好,包括元件的选择和线路板的布线等,王新成老师在他的书中也有论述...
这在DE1103线路板上也很有意思,线路板上把平衡混频的两个场效应管分布到两面上...
整个平衡混频器也没有加屏蔽,厂方如果把这个平衡混频器做在一个带屏蔽的小盒子中,两个场效应管采用孪生管,盒子中元件和布线尽量对称处理,这样是否有利于再提高1103的性能呢?
本振弄明白了,接下来我们来看一下DE1103的调幅高频部分!
从图中可以看到,1103整个调幅线路除了本机振荡的2个变容二极管(VD1和VD7),其他地方没有变容管了,这就意味着DE1103从天线下来的调幅信号一直到其平衡混频也没有设置调谐,短波信号是通过Q1进行天线放大,D3选通后进入平衡混频器,长波和中波是Q14放大后,D2选通进入平衡混频器的,这样看来,整个调幅高频信号方面两段切换,大约小于1.7MHz的信号由磁性天线,Q14提供,大于1.7MHz信号切换到拉杆天线(或者外接),Q1放大提供,Q1和Q14均工作于相应频段下的宽频放大,整个调幅高频不“设防”,不论是磁棒还是拉杆天线,来的都是客,最终通过第一混频选频!
这样在线路上得到了大大的简化,有利于整个调幅通道各频率段的平衡,而选择性依靠第一中频和第二中频来获得!
看到这里,使我想起我们国家的改革开放,1103的调幅高频处理省去选频就如同国家开发,看来改革开放的春风也吹进了DE1103!
昨夜折腾时拍摄下来的图片,选了5张,都是1103的调幅通道的...
调幅通道(2张):
第一本振(2张):
第二变频(1张):
至于线路图上其他的的晶体管和IC是完成1103接收各种控制用的开关管和逻辑转换,操作指令来自1103的MPU,这些线路根据DE1103的控制机理容易弄明白的,晶体管都是开与关的问题,在这儿就不再说了。