广播发烧网

摩德生R9700DX机子

广播发烧网 发布于 电路及维修

 因我曾在本坛提供R9700DX的线路图给沈阳军火商,坛子上有关摩此机的帖子沸沸扬扬,但摩此机有一定的困难,所以今天下午本人经过实际操作给出意见如下,供想摩此机的朋友参考:

1、拆机过程祥解:

  一、拆机前你需要准备好修理钟表的小起子,因为你将会发现,待会儿里边的螺丝需要这些工具。



  二、后盖上有7枚螺丝,其中6#、7#螺丝较短些。



  三、拆开后盖时需要注意外壳面板与后盖之间的塑料卡钩。





  四、用小起子拧下刻度盘的4枚螺丝,线路板及其塑料支架等组成的机芯只有1枚固定螺丝。



  五、取下机芯时注意机器金属支撑脚的钩。



  六、机芯取出,为了工作方便焊下3根线:喇叭2根,天线1根。



  七、卸下电路板时,先用小起子拆下机芯上的3块小线路板,共6枚螺丝,然后拧下调谐轮上的1枚螺丝,调谐拉线系统不用拆。



  八、机芯背面,固定电路板有3枚螺丝,电池焊点2个,负极焊点焊不焊关系不大,正极最好焊下,因为此处覆铜焊点小,不小心容易撕烂电路板。



  九、至此你可以卸下电路板了,卸下时注意卡住电路板四周的卡钩,至于中波天线,有需要的话可以焊下来。




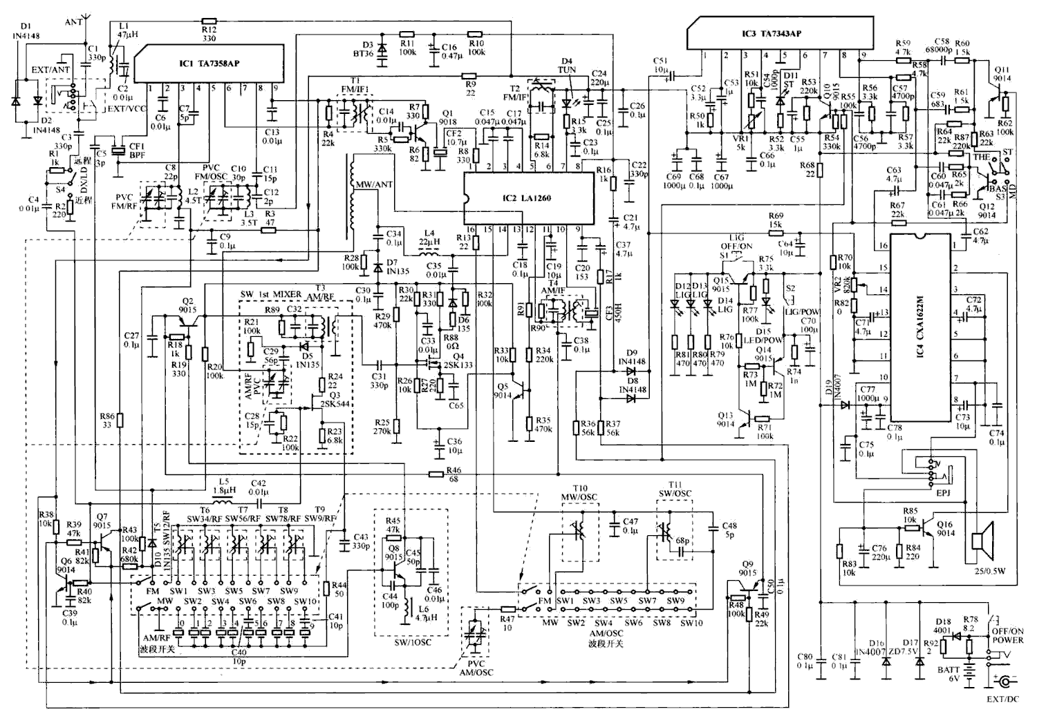
2、关于xyz^_^版主建议的摩机方法的元件位置:

  一、Q12、C60、C61及R65在电路板中的位置(Q12并排的是Q17)。



  二、R66的位置(贴片电阻)。




3、我的个人意见:
  
  一、从以上拆机过程看,如果你是无线电动手技巧不熟练者,最好不要去摩此机,因为此机结构紧凑,贴片元件多,线路走线紧密复杂。

  二、此机用件已经达到此机的指标,摩机除了xyz^_^版主建议的提高分离度的话,其他方面意义不大,不相信的话你可以折腾看看。
  
  此机线路设计成熟,在实际电路板上,就FM来看,高放TA7358A,中放LA1260,立体声解调的TA7343AP及低放CXA1622M的四枚芯片的选用可以看出此机用料不会低,电路板上还可以看到多个钽电容,就是普通电解电容从其外观、印字看也不属于劣质品,所以当你拆开后,你会发现你没有可以简单摩机的余地。

  在AM方面,从场效应管的使用,中频变压器的频带扩宽措施(R90)等,可以看出本机AM从高频开始就考虑了整机调幅方面的高性能指标。
 
  所以此机频响设计到制造已经整体考虑,任何再次的高音、低音提升都将破坏播放声音的信噪比,将降低听音效果。  


4、R9700DX电路原理图:

      

文章目录