拆解一个多媒体收音机:为什么广告比电台听得更清晰?
今天拆解的是一台老人准备扔掉的多媒体收音机。他说这是参加活动时送的,但一开机就是大段广告,能听的电台只有几个,还杂音严重;反倒是内置的医院广告特别清晰,实在没法用。
这类产品表面是“多功能收音机”或“故事机”,实则是向老年人推销医疗保健品的广告工具。现实中确实存在不少由所谓“关爱老人”机构定制的设备,实则进行软性营销,甚至涉嫌违规推广。
今天我们拆开看看:作为电子消费品,它的做工和用料到底如何?
先看整体外观。

外观看起来还是比较大气的收音机,大按键、大字体、大音量,专为老年人设计,开机即用,几乎零学习成本。
机身印有“某某医院”“和美人间 康健大众”等字样。
模式循环、播放/暂停等按键颜色鲜艳、醒目易辨。
品牌标着“索星 SUOXING”,应该是个商标。连定制收音机的厂家都不放过这种广告机会。
一眼就能看出,面板设计针对的人群非常明确。

收音机背面的标签:
便携式多媒体收音机
型号:HFC-51B
额定功率:5W
输入电源:5V,500mA直流
产地:中国深圳

侧面的USB Type-B口,很少有这种接口了,用到老年机上也正常。
圆形孔是耳机插孔

打开电池盖,看到电池仓,一节18650锂电池

醒目的红色很显眼,加上大圆角显得圆润,外壳并非单纯美观,看起来还是符合医疗器械机械安全规范,医疗器件规范规定,所有边角采用 R≥3mm 圆角处理,完全规避了老年人使用时的磕碰风险.

还有封装标签,这种细节说明生产组装厂家也是很专业的,不是小作坊式生产那种。

直接上十字螺丝刀开始拆解后壳。

后壳取出后,去掉按键膜,漏出电路板,把喇叭取出,有黑色黑泡棉粘贴在外壳内部,说明对电路板的防护措施还是有的。

YSD 扬声器2Ω3W
直径52mm
磁铁直径45mm(高密度磁铁)
高度33mm

主板背面是主要器件的布局,整体排布还算合理。采用双层板设计,看起来“用料扎实”——毕竟是医院定制的产品,即便不是医疗设备,也需满足基本的电气安全隐性要求。
板上设有几个与外壳配合装配的主要结构端口和插座:一个USB座(用于连接电脑)、一个B503可调电位器、一个USB Type-B充电座、一个3.5mm耳机插孔,以及一个TF卡槽。
多接口配置(如TF卡、USB Type-B)既方便老年人播放本地戏曲或通过电脑更新内容,又通过接口间距优化(≥15mm)降低误操作风险,整体设计符合人机工程学理念。

DCLA47P2004 芯片24脚
“DCLA47P2004” 很可能是某家厂商(如深圳、东莞等地的方案商)的内部料号或定制封装编号,而非通用IC型号。
这类编号常见于国产方案公司为特定客户开发的收音机主板,用于区分批次、功能或客户项目。
许多FM收音芯片(如RDA5807M、Si4703、TEA5767)在批量生产时都会采用简写或客户定制的丝印标识。
这颗芯片是收音机的“大脑”,负责将空中看不见的电台信号转换为我们能听到的音频信号,是整个接收过程的关键。

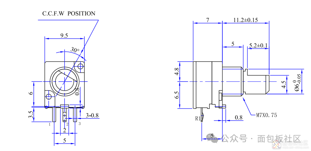
B503可调电阻旋转电位器,基本的参数如下。





这里有个肖特基二经管
SS14肖特基二极管:最大反向峰值电压VRRM=40V,最大正向整流电流I(AV)=1A,最大正向压降VF=0.5V,最大反向泄漏电流IR=20mA。

MJD0D二极管是深圳辰达半导体有限公司(MDD品牌)生产的开关二极管,主要用于高速开关和保护电路场景。以下是关键信息:
基本参数
型号:MJD0D
封装:DO-214AC(贴片封装)
丝印:MJD0D(可定制)
电压:双向保护(具体电压需参考产品手册)
功率:适用于中等功率应用

这里是矽源特的个HAA2018芯片,HAA2018A是AB类/D类切换功能,12W输出功率单通道音频功率放大器

矽源特ChipSourceTek-HAA2018A是一款FM无干扰、AB/D类可切换、高效率、无滤波器的12W单声道音频功率放大器。超低的EMI非常适合应用于带FM功能的便携式设备中。



HAA2018周围的几个主要器件布局。

芯片丝印8035的这颗芯片是8035-SANE,它是一款MSOP-10封装的立体声调频接收单芯片,用于音响设备
QN8035-SANE 丝印8035 立体声调频
因为没有前缀,不知道是 CD8035 或 TA8035,8035是一款经典的单片调幅(AM)收音机集成电路。
核心功能是集成AM高频放大、本振、混频、中频放大及检波电路,实现完整的AM接收功能。
主要的技术参数
工作电压:2V–5V(低压设计,适合便携设备)
工作频率:覆盖525–1605kHz标准中波波段
中频频率:455kHz(兼容全球AM收音机标准)
静态电流:≤5mA(低功耗设计)
原装CD8035已停产,市面多为拆机件或仿制品

14个键开关中间一个晶振,数码管在上面。每个按键标识有丝印代码。

在按键开关的中间躺着一个晶振,把它竖立起来,想看看它的参数,结果没有任何字体,等把它竖立起来,印制板上丝印这32.768.

20190326 HFC-51-V1.3是电路板的版本号

按键开关

USB Type-B座和3.5mm口耳机插座贴片式音频插座 耳机孔。
USB Type-B座,这种产品要引脚+钢板内衬能耐受>5000次插拔

USB Type-B 常见于老式功能机上,因为仅有5金属触点,只支持USB2.0(Mini B)
USB Type-B 的5个引脚的标识意义。

TF卡槽,主要是要防反插斜坡设计,避免误操作损坏存储卡

Micro SD Card,原名Trans-flash Card(TF卡),2004年正式更名为Micro SD Card,由SanDisk(闪迪)公司发明,主要用于移动电话。由于它体积小、数据传输速度快、可热插拔、大容量 [6]等优良的特性,被广泛地应用于便携式设备如电子词典、移动电话、数码相机、汽车导航系统

按键胶垫的配置暗藏巧思,按键行程与 1.5-3N 的操作力度,既符合老年人手指按压的发力习惯,又能提供清晰的触觉反馈。

按键胶垫,手感与回弹,防尘防水性优于机械按键。

收音机的按键膜,原来绿色的是在红色底板颜色上喷涂上绿色颜料。

外壳里面做工还是蛮好的外壳内腔没有多少毛刺。贴有黑色泡棉,和封胶,主要是保护电路板。

整个拆解合影

总结:
本次拆解的是一台便携式多媒体收音机,由某医院用于保健品宣传及自身形象推广。这类设备常以“保健关爱活动”“健康讲座礼品”或“孝心工程”等名义免费发放给老年人,也有以几十元低价出售——远低于市场同类产品的正常成本,因此最初推测其做工粗糙、用料低廉。
但拆解后却有些意外。
正如其名称所示,这确实是一台集成了多种功能的便携式收音机:支持FM收音、TF卡播放、USB连接、充电管理等。虽然整体成本不高,采用的是双层PCB板,但内部电路板与外壳的做工并不差。它使用了带电池保护电路的标准18650锂电池、通用的Type-B接口等成熟元器件,功能模块丰富。物料虽非高端新品,但也远非想象中那种极度廉价的劣质品。从电路设计、元件选型到红色外壳的细节,都能看出在产品上投入了一定心思和成本。
这背后有其合理性:目标用户是老年人,他们对电子产品的操作简易性、耐用性和按键手感等有较高要求。过于粗糙的产品会迅速被弃用,反而无法达成营销目的。
作为产品设计者,无论面向何种人群,都应坚持“质量第一、安全至上”的原则。
值得肯定的设计包括:USB接口兼顾充电与数据传输、耳机插孔与外放双模式等。这些看似增加了元件成本,实则通过功能集成提升了物料利用率。
保留Type-B接口也颇具考量——便于医院批量更新音频内容,“一器多能”的设计反而降低了综合采购与运维成本。
不过必须强调:此类以公益之名行广告之实的“软广植入”手段,不仅损害机构公信力,还可能带来较高的法律风险。
更可持续的方向是:开发真正公益性质的老年音频设备,内容经卫健部门审核,聚焦科学养生、慢性病管理、心理健康等真实需求;并与社区、老年大学合作,提供免费健康科普服务,而非推销产品。