广播发烧网

《每周一机入库》之80 美国R390A/URR 26灯3次变频32波段电子管中短波机王

广播发烧网 发布于 收音机


时间过得很快,转眼间又到了自己的生日。由今天开始,本人踏入耳顺之年,是花甲老翁了,想不认老也不能了,呵呵。

最近在美国购得了R390A/URR 美国军用接收机,就作为本人送给自己的六十岁生日礼物罢!




这机规格如下:

频率范围--

由 0.5 - 32 MHz. ,共分32波段,频率可连续调谐

电源: 115 / 230 V. 交流电, 140 W. – 225 W.
尺寸: 483 x 427 x 267 mm / 19 x 16.8 x 10.5 吋
重量:约38.5公斤 / 85 磅




优点/特色:
1.    R390A是1953年由美国著名的军机公司COLLINS设计及生产的,直至1984年才停产,其中61,920台是在1953 – 1968年生产的,有5台则是在1984年生产的;

2.    虽然R390A最早是由COLLINS设计以及生产的机子,但后来有些机子,也由其它的美国接收机生产商如EAC,Hammarlund,Motorola, Stewart-Warner, Capehart, Amelco, Teledyne, EAC, Fowler Ind., Dittmore-Freimuth 及 Helena Rubenstein等公司均成功地从美国国防部手上接过单子来制造R390A;

3.    本接收机主要是为军事用途而设计的,未退役前,差不多所有的R390A都是军用的,如在美军舰艇、政府机关、情报机关如CIA中央情报局、NSA监听电波等;




4.    R390A大部份都是在1960年代之内生产的,但不知什幺原因,美国国防部在1986年又下了5台的订单,交由Fowler Ind.生产;

5.    机子结构坚实,老美们形容这机是一个BOAT ANCHOR,即小船的船锚,来表示这机是一台重量级(高质量)、耐用、和表现优秀的机子;  




6.    双天线输入插座: 平衡及拉竿天线;




7.    接收模式有AM, MCW, CW , RTTY等功能;

8.    设有六个中频通带: 0.1, 1.0, 2.0, 4.0, 8.0 及 16.0 KHz;

9.    0.1 及 1KHz 通带使用晶体滤器,2, 4, 8 及 16KHz 通带使用机械滤器来获致极佳的选择性;




10.    本机采用了近乎过量的机械齿轮设计,来控制天线信号、高放和中放等调谐部份的运作;

11.    R390A设有三次变频,机内设有高级机子才有的PTO, permeability  tuned  oscillator;




12.    有三个不同AGC自动增益速度;

13.    振荡晶体旁设有发热恒温暖炉;

14.    当晶体发热恒温暖炉激活时,约耗电225 W., 当热恒温暖炉没有激活时,约耗电140 W.




15.    本机设有两个信号电表,可以同时及分别监察信号及音频水平;

16.    本机设有可调节的限制噪音;

17.    设有455 KHz. 中频独立接口;

18.    机内有六个互相屏隔蔽离的组件,能防止干扰;




19.    这六个组件都是可以拆下来的,使维修工作更为方便;

20.    本机设有连续可调节的BFO (+/- 3KC) ;

21.    R390A另有SSB 转换器作为附件,但即使没有SSB 转换器,运用这机的BFO 控制再加上适当的通带,接收SSB是轻而易举之事;




22.    AM或CW接收模式时,具有极佳的防止过载、以及防止邻近地区强台信号干扰的能力;

23.    具备多项灵活的用途及操作;

24.    必要时,可加插发射机成为合并式的收发机使用;

25.    备有可供遥控的连续调节的高频增益控制;

26.    备有可供遥控的自动增益控制;




27.    备有单独的检波输出插口,以作特别的用途;

28.    频率刻度表能显示100 KHz. 的刻度

29.    调谐旋钮和刻度显示是对称的,旋钮旋转一圈即等于转移了100 KHz.;

30.    设有刻度锁,能把调谐旋钮锁住不能再转动;




31.    在五十多年后的今天,这机仍然备受美国不少资深DX爱好者的欢迎,认为这是接收调幅广播及CW最好的机子;

32.    由于本机没有使用微处理器,所以本底噪音十分低;




33.    据不少长期使用过这机的用家证实,这机即使是在很恶劣的接收环境下使用,仍能把微弱的信号收听清楚,特别是在使用CW功能时,尤其如此;

34.    共使用26支电子管: 6DC6, 5814A (x7), 6C4 (x3), 6AK5W (x2), 6BA6W (x6), 6AK6 (x3), 26Z5W (x2), OA2, 3TF7;




35.    音频响应设有「宽」及「窄」的控制;

36.    备有600欧姆音频输出接口;




37.    设有两个音频输出:本地及联机;

38.    长期以来,R390A被视为美国军方的高度秘密,正式的说明书里面有一章,是教用家如果这机子有可能落入敌人的手上,如何把机子毁灭!

39.    面板上设有一对手柄,在机子倒置时,这手柄可令机子平稳地放在平面上而不会压坏面板上的旋钮和其它设备;

40.    机身用了的5 mm 厚的优质铝材;




41.    这机在退役时,曾遭受美国国防部的大屠杀;






42.    直至1968年之后,R390A才有向公众出售,当年的价格为$1700 (相当于现今的$6700),但这仍然是相对便宜的,因为当年美国政府的生产价是$2200 (相当于现今的$13,000) 一台;




43.    由于这机流出民间的不太多,在美国EBAY的价钱近来节节上升;




44.    由于这机重逾85磅,已超出美国邮政的70磅邮寄包裹最高重量限额,只能以UPS空运来香港,单运费已是$580美元,购入这机的总支出超逾美刀2.5 K.;

45.    R390A在美国现仍备受不少广播爱好者的追捧,不少人还在使用中,这机不但有很优秀的使用价值还有很高的收藏价值。




46.    这机现已成为俺的新镇宅之宝了!



弱点/不足之处:

1.    R390A/URR的性能比它的前身R390/URR差一些,R390同样是由COLLINS公司设计和在1951生产的,该机用了32个电子管,比R390A还多了6个;

2.    R390是两级高放而不是R390A的一级高放;




3.    R390是六级中放而不是R390A的四级中放;

4.    不过,由于生产成本太昂贵,R390只生产了很少数量便没有再继续生产下去了,取而代之的则是R390A

5.    即使是二手的机子,价格仍然很高。




结语:R390A代表了美国全国当年最高级的科技设计,以及当年最高级的材料而制成,可说是不惜工本、经得起时间的考验,非一般商业性产品可比;这机现在已越来越稀少,而价格也越来越高,所以趁着六十岁生日之际,赶紧购入一台成色较好的R390A用来收藏也好、收听也好。由于机子刚购买不久,还没有把它作详细的测试,先在今天本人成花甲老翁之时把它写成入库文章应景。迟些再拍多些些内部图片,以及将R390A与其它各退役国产电子管军机作详细的PK,与大家分享!



性能总评(最高五星):★★★★★
性价比:★★☆
收藏值总评(最高五星):★★★★★

★★★★★=极佳★,半星用☆,
★★★★=优异 
★★★=不错 
★★=略差 
★=极劣 
☆ = 半星


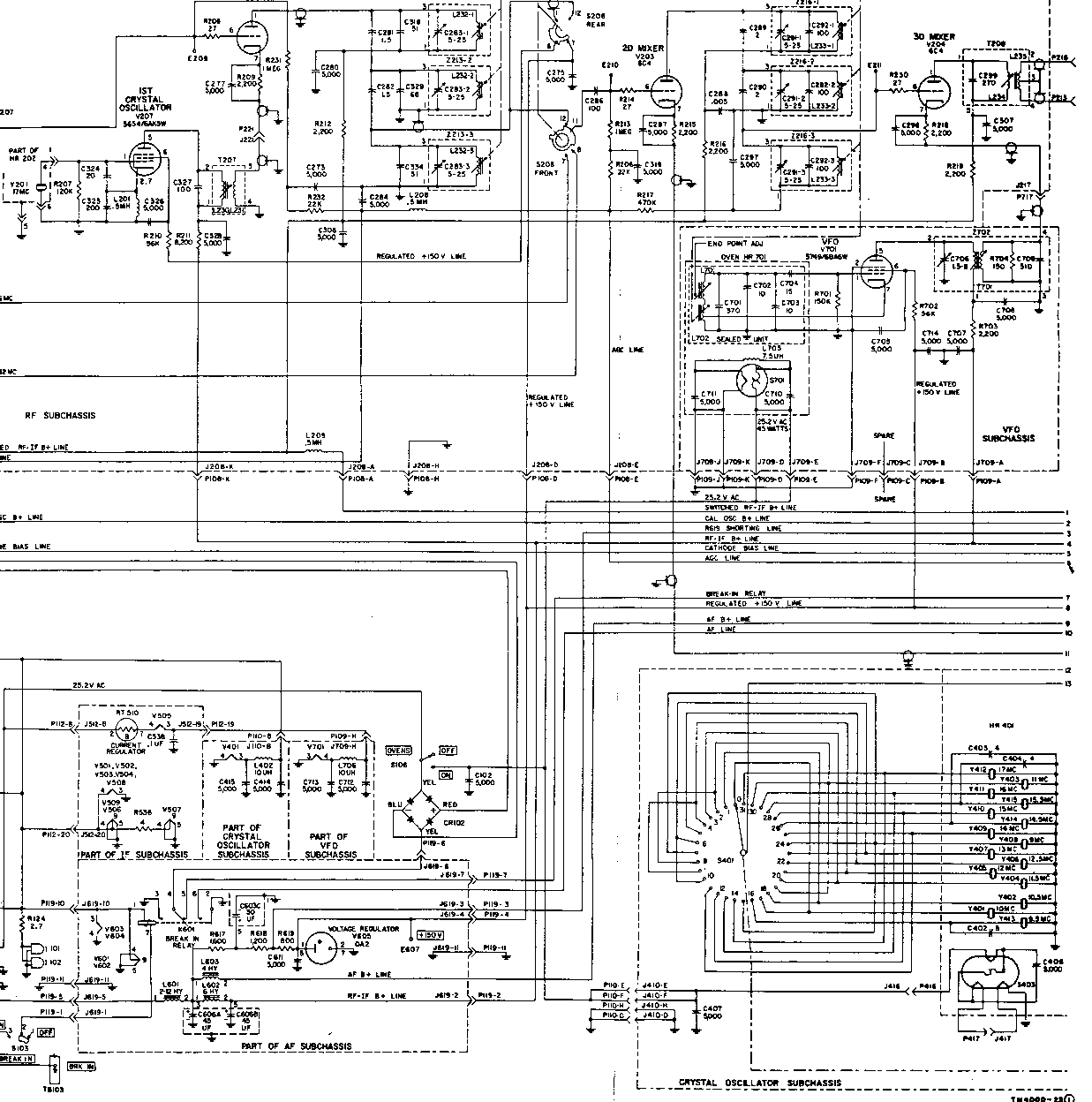
R390A 电路图










  备注:因近期购入的机子较多,所以把一些已使用过的全新机子、或把一些已修复、重新维修的旧机收集入库,顺便拍下一些照片及写下使用手记作为纪录,作为《每周一机入库》在论坛上发表,如果能既娱已,又娱人,已是达到我的目的。在收机入库的记录中,难免会涉及对机子性能的一些看法,对于入库机子的优点我会不吝惜的推介,但对它们的缺点我会毫不留情的揭露。不过,这些评论并不能充作「测评报告」,因为严谨的机子测评要求有较高层次的测试仪器,以及个人的较高水平,这两者我都缺乏!所以《每周一机入库》的各种观点都只是一些「试机感受」,个人的感言而已;有些机子的弱点或不足之处,亦可能是个别机子才有出现,一家之言,算不了准的,还请各大侠补充高见指正。


2007/6/24

文章目录