广播发烧网
首页
玩机交流
交流
评测
故事
收音机
机型研究
电路及维修
相关附件
数码时代
网络收音机
智能收音机
收音机APP
电波动态
BCL
动态
QSL
登录
首页
玩机交流
交流
评测
故事
收音机
机型研究
电路及维修
相关附件
数码时代
网络收音机
智能收音机
收音机APP
电波动态
BCL
动态
QSL
登录
一个专门探讨收音机、无线电资源的广播发烧友网站
首页
标签:调频
用万用表检修根德(Satellit 700)S700调频,调幅三波段全部灵敏度低的故障过程
前言:思路决定出路,有什么样的思路就会发现并排除什么样的问题。 废话少说,故障现象:调频,在天线全部拉出的情况下,...
电路及维修
#SATELLIT
#700
#根德
#s700
#调频
广播发烧网
·
2009-07-24 00:00
0
2856
0
德生S2000小评-外加调频FM灵敏度稍低的改进办法
德生的S2000是德生今年推出的所谓最高端的收音机,同时其售价也是远远把一般的机器抛在后头,已经过去大半年了,相信有这个机器的人基本都很了解这个机器的性能了。我...
电路及维修
#德生
#FM
#调频
广播发烧网
·
2009-06-30 00:00
0
2611
0
上海松鹤墓园调频接收小记,电台扎堆出现
今年的清明扫墓特地避开上周的正清明高峰,所以人比较少。在春暖花开的季节里,在惬意的阳光下,带上机器去踏青,别有一番滋味。今天的接收活动充满了惊喜,远...
BCL
#调频
广播发烧网
·
2009-04-12 00:00
0
2236
0
2009年南京地区调频波段电台(欢迎更正与补充)
2009年南京地区调频波段电台:88.5 江宁人民广播电台89.7 江苏城市调频 City FM91.4 江苏...
BCL
#调频
广播发烧网
·
2009-04-12 00:00
0
2161
0
根德G6和德劲DE1123接收中波调频实际录音
根德G6和德劲DE1123接收中波调频实际录音接收地点昆明室内FM100(MHZ)和中波1008(KHZ)录音设备:创新Audigy2 ZS声卡和音频线录音软件...
评测
#德劲
#根德
#调频
#中波
广播发烧网
·
2009-03-25 00:00
0
2371
0
20日上海北部地区浙江方向调频信号异常清晰
今天傍晚在家突然发现,原本很难听到的几个浙江方面的电台,信号突然变得异常清晰,基本都达到了5级的水平,而江苏方面的电台信号却不及前者,但也属“超常发挥”了,此现...
BCL
#调频
广播发烧网
·
2009-03-20 00:00
0
2178
0
德机调频无声,快速故障定位修理
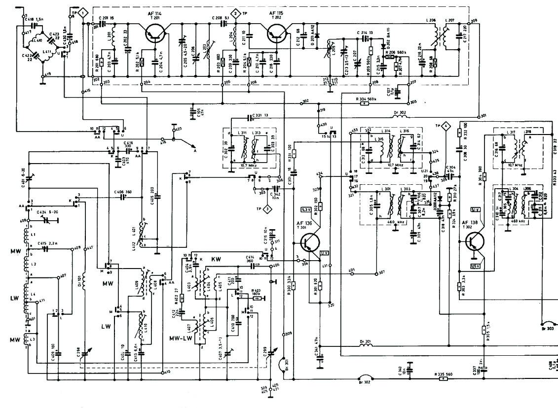
一德国老晶体管机INGELEN 4000,调频突然出现无声故障,调幅部分工作正常,其高频和中频部分电路图请教红灯,觉得故障点除了调频高频放大,混频部分...
电路及维修
#调频
广播发烧网
·
2009-03-06 00:00
0
2316
0
德劲DE1103调频灵敏度打磨心得
对于DE1103这台收音机,相信很多的年轻人买它就是为了主要是听他的FM的,诚然,DE1103的FM接收能力真的首屈一指,在众多的国内顶尖和国外的顶尖机器的PK...
电路及维修
#德劲
#调频
广播发烧网
·
2009-02-13 00:00
0
2725
0
修复德生R9710收音机调频性能差
我的一部2006年10月购买的德生R9710型收音机。机身号为11120050912317。与其优良的调幅性能相比调频的性能却很差:噪声大、混串台严...
电路及维修
#收音机
#德生
#调频
广播发烧网
·
2009-02-10 00:00
0
2732
0
广东阳江可接收到的调频电台
以前用一般的收音机在阳江市区到处都是阳江两个台的声音。今年春节使用坛上收的垃圾松下纯收音车机外接一米左右导线当天线,在江城区家中四楼进行测试竟可接收到20多个电...
BCL
#调频
广播发烧网
·
2009-02-07 00:00
0
2687
0
«
1
2
3
4
5
6
7
...
13
»