广播发烧网
首页
玩机交流
交流
评测
故事
收音机
机型研究
电路及维修
相关附件
数码时代
网络收音机
智能收音机
收音机APP
电波动态
BCL
动态
QSL
登录
首页
玩机交流
交流
评测
故事
收音机
机型研究
电路及维修
相关附件
数码时代
网络收音机
智能收音机
收音机APP
电波动态
BCL
动态
QSL
登录
一个专门探讨收音机、无线电资源的广播发烧友网站
首页
标签:FM
DE1103上海闵行午间FM收听报告
均为可稳定收听的电台,其余呼号无法辨认的未收录。我在闵行靠近莘庄附近。用1103自带拉杆天线全拉出,中午,朝南房间,二楼。存储  ...
BCL
#FM
广播发烧网
·
2005-11-20 00:00
0
2163
0
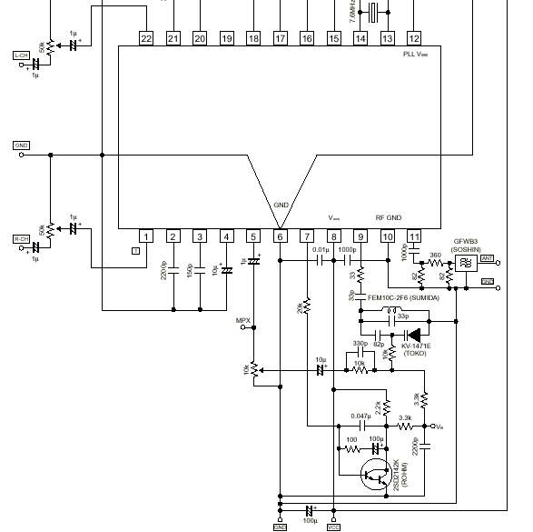
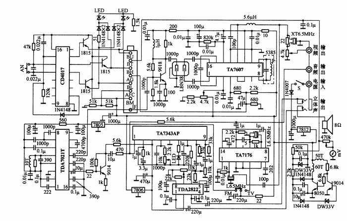
写在CR-100电视伴音收音机即将发售之际—读潘云中先生的《全频段FM接收机的制作》(电视高频头制)
前注:此篇原文系《无线电》2004.4潘云中先生的文章,潘先生致力于FM接收机模块的设计分析,仔细阅读潘先生的文章,他的设计思想是我们大家学习的榜样。今将此篇扫...
电路及维修
#收音机
#FM
广播发烧网
·
2005-11-15 00:00
0
2426
0
山东曹县能收到的FM
出差到山东曹县,闲暇之余用DE1103收到的FM: 106. 6 山东人民广播电台 104....
BCL
#FM
广播发烧网
·
2005-11-09 00:00
0
2067
0
克服车用FM发射器声音小(调制度小)、发射距离近现象改进方法总结(图文)
我邮购的车用FM发射器存在声音小(调制度小)、发射距离近现象。经过几天的分析改进,现已完全克服其固有缺陷,现公布其改进方法与网友们共享:1、加深调制度先从网上下...
电路及维修
#FM
广播发烧网
·
2005-11-03 00:00
0
2339
0
剪断一条线,车用FM发射器发射距离加倍
看车用FM发射器用料、做工都不错,唯独发射距离太近!仔细观察:该发射天线内有两根导线,高频变压器次级有三个端点,...
电路及维修
#FM
广播发烧网
·
2005-11-01 00:00
0
2238
0
谈FMDX的“晨昏现象”——dawn-dusk phenomenon
谈谈FMDX的“晨昏现象”——dawn-dusk phenomenon 如前所述,大家已经了解无线电波在对流层,电离层中传播的一般规律,也知道为什么在夜晚能够听...
BCL
#FM
广播发烧网
·
2005-10-29 00:00
0
2362
0
广东湛江硇洲岛FM收听记录
频率 电台名称 语言 ...
BCL
#FM
广播发烧网
·
2005-10-25 00:00
0
2278
0
1103入手,FM试用情况,上海莘庄,请参考
昨天下午入手的1103新版,充电一夜,今天中午12:00开始在南卧室搜索FM电台,我的地点在上海市沪闵路接近莘庄附近。仅依靠机身天线可以非常清楚的收到12个FM...
评测
#FM
广播发烧网
·
2005-10-13 00:00
0
2341
0
7600gr做FM远程接收手记
今天是2005年10月2日,正是国庆假期,秋高气爽,朗朗晴空,今年国庆节过得很舒服,上月底收到了7600gr,哪个兴奋还没有过,国庆节女朋友又从100多公里远赶...
评测
#FM
#7600
广播发烧网
·
2005-10-03 00:00
0
2189
0
我用SONY SRF-S53袖珍FM收音机
在商店的橱窗看见过SONY袖珍收音机(MW、FM两波段或单FM)很多种很多次了,但是自己一直没有属于自己的一部袖珍SONY。就从前阅读的知识储备来说,自己比较中...
评测
#收音机
#SONY
#袖珍
#FM
广播发烧网
·
2005-09-27 00:00
0
2902
0
«
1
...
16
17
18
19
20
21
22
...
25
»