广播发烧网
首页
玩机交流
交流
评测
故事
收音机
机型研究
电路及维修
相关附件
数码时代
网络收音机
智能收音机
收音机APP
电波动态
BCL
动态
QSL
登录
首页
玩机交流
交流
评测
故事
收音机
机型研究
电路及维修
相关附件
数码时代
网络收音机
智能收音机
收音机APP
电波动态
BCL
动态
QSL
登录
一个专门探讨收音机、无线电资源的广播发烧友网站
首页
标签:中波
7600和404和1103中波比较
首先上传一张他们3个的合影,1103和7600的机器天线长度基本相当,404机器的天线最短,这个可能是造成它中波收听效果最差的原因之一吧!收听环境:家中:室外的...
评测
#7600
#中波
广播发烧网
·
2008-04-29 00:00
0
2054
0
德生TECSUN AN-100、AN-200中波天线上市
TECSUN AN-100、AN-200中波天线是德生公司推出的天线新品。它能增强中波接收能力、改善中波接收效果,又具有摆放灵活、操作简单的特点,适合在中波信号...
动态
#德生
#天线
#中波
广播发烧网
·
2008-04-21 00:00
0
2311
0
中波王的实力到底如何?
借港人东风,继续探讨中波的乐趣,三天王之一的EX5与常见收音机大PK.PK地点在我家阳台,时间为上午10-11:30?刚才没有注意看时间.PK方式很简单,不记频...
评测
#中波
广播发烧网
·
2008-04-21 00:00
0
2077
0
《一机入库》系列文章之83: 带有原包装箱子和原版英文说明书的 General Electric SuperRadio II中波机王
美国中波机王 General Electric Super Radio II 已经在14年前,即19...
收音机
#中波
广播发烧网
·
2008-04-18 00:00
0
2104
0
听中波,才叫听收音机
看了这个题目,有的人可能会赞同,但是肯定有不少人也会持不同意见。我之所以宁愿冒着被人反对,写这篇文字,只是想向大...
交流
#收音机
#中波
广播发烧网
·
2008-03-31 00:00
0
2211
0
S2000使用感受之1--"中波王"
S2000到手几天了,昨晚才有空粗粗把玩,重点是中波.两点感受强烈:(1)抗干扰能力强.中波全频段清晰接收,而另两台对比机器则相去甚远.城市各种电子干扰使中波收...
评测
#中波
广播发烧网
·
2008-03-26 00:00
0
1972
0
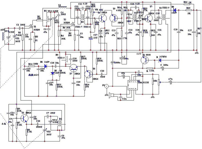
三联中波机的图纸
电路图:印板图:元件面:检查图:关键器件数据:磁棒天线32+32匝0.07X28股纱包线绕制高放线圈60+30匝0.09漆包线绕制振荡线圈1-2 67...
电路及维修
#中波
广播发烧网
·
2008-03-15 00:00
0
2090
0
当年的廉价机……享受中波的利器!
70年代中后期,国产半导体器件较60年代中后期产量上有了很大提高,其成本也大幅度降低,早期为了节约晶体管数量而设计的再生来复机和3-4管简单超外差机器低档普及机...
交流
#中波
广播发烧网
·
2008-03-12 00:00
0
2125
0
增强车机中波接收效果
受使用环境和内部结构影响,车机一般没有安装磁性天线,造成中波接收效果较差。如果改为家用,则完全可以通过增加磁棒天线等手段增强中波接收效果。我的经验如下:1、加装...
交流
#中波
广播发烧网
·
2008-02-26 00:00
0
2370
0
08年2月23日晚PL600辽宁省辽阳市中波波段收听记录
地点:辽宁省辽阳市市内收听时间:21:08开始收听波段:AM522KHZ-AM1620KHZ(听不懂的没列入在内)频率 &nb...
BCL
#PL600
#中波
广播发烧网
·
2008-02-25 00:00
0
2205
0
«
1
...
5
6
7
8
9
10
11
...
14
»