广播发烧网
首页
玩机交流
交流
评测
故事
收音机
机型研究
电路及维修
相关附件
数码时代
网络收音机
智能收音机
收音机APP
电波动态
BCL
动态
QSL
登录
首页
玩机交流
交流
评测
故事
收音机
机型研究
电路及维修
相关附件
数码时代
网络收音机
智能收音机
收音机APP
电波动态
BCL
动态
QSL
登录
一个专门探讨收音机、无线电资源的广播发烧友网站
首页
标签:中波
春节烩鲍……an100中波环的使用介绍
我这个an100中波环是随pl600一起买的,没有说明书和印刷好的包装盒。1.an100中波环的基本原理:是铜线圈与可变电容器并联产生并联谐振,谐振点调节到需要...
相关附件
#中波
广播发烧网
·
2008-02-08 00:00
0
813
0
随笔机评之索尼有中波王之称的本土机SONY ICF-EX5
早就听坛里说三大中波机王,GE2,CCRADIO,EX5。 GE2很早就用过了,起因是要听邻省的中波弱...
评测
#SONY
#索尼
#中波
广播发烧网
·
2007-12-15 00:00
0
2350
0
懒汉+懒木头天线+DE1102的中波DX测评
评测
#天线
#中波
广播发烧网
·
2007-08-03 00:00
0
2102
0
小HAM-2000------S-2000真空揭秘
收音机
#HAM
#中波
广播发烧网
·
2007-04-26 00:00
0
1961
0
SANGEAN (山进) PR-D3L 中波接收记录
接收设备:SANGEAN (山进) PR-D3L接收时间:2007/03/04 AM 8:00接收地点:苏州...
BCL
#山进
#中波
广播发烧网
·
2007-03-04 00:00
0
2095
0
2006年10月5日 沈阳市中波接收报告
频率 电台名称 评价级别(KHZ)540 中央电台 中国之声 5558 韩国...
BCL
#中波
广播发烧网
·
2006-10-07 00:00
0
2053
0
从1102走向HAM
从玩上1102开始,慢慢喜欢上了SSB接收,从听到SSB接收到想发射,终于,无线电,这个隔了十几年的爱好终于又拾了起来.记得开始进139A的时候,那时刚进了11...
评测
#HAM
#中波
广播发烧网
·
2006-10-04 00:00
0
2203
0
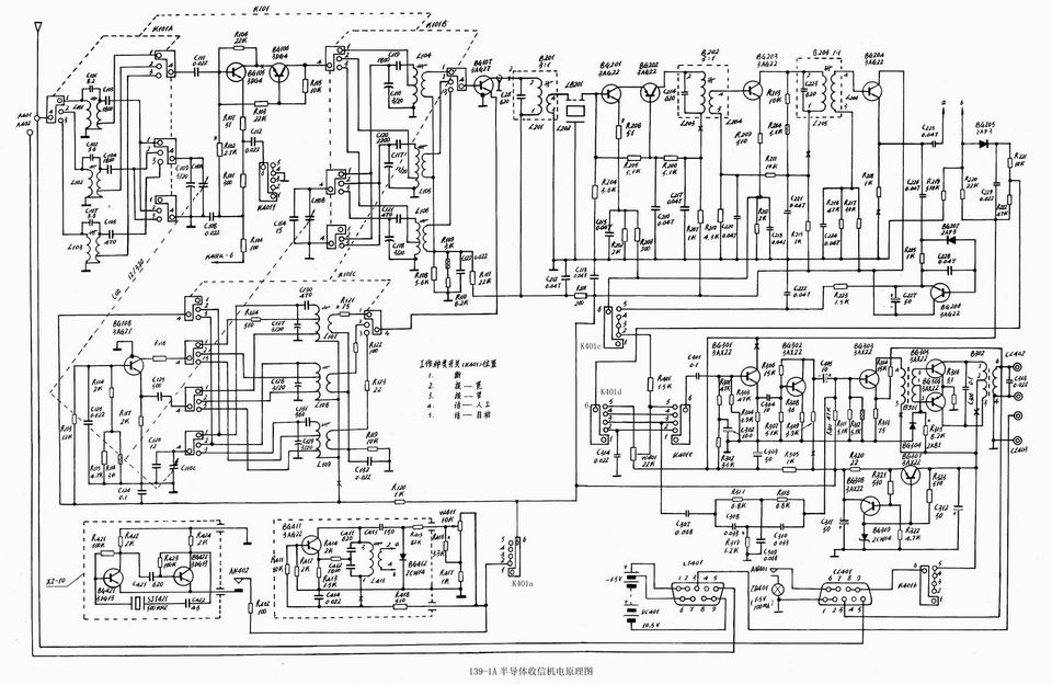
139A军机中波(MW)改造杂记
本人一直这对国产老机兴趣浓烈,对欧洲机器(特别根德,兰宝)有价合适的也收收,特讨厌鬼子垃圾。在去年一不小心掉入本潭,一直就泡着没机会上岸。看到再高放三连的各类军...
电路及维修
#中波
广播发烧网
·
2006-09-13 00:00
0
2276
0
AM虑波器之简单比较
由于本人读书不认真,所以挨到现在才慢慢对电子元件的特性感一点兴趣,正好乘机补补课。前些日子村田提供了手制夹具和样品,今天有空做了个简单比较,和大家共享。实物1看...
电路及维修
#中波
广播发烧网
·
2006-08-01 00:00
0
2122
0
粗略记录黑龙江白天可听的中波及调频台
器材:bcl2000+pl550,机内天线全部拔出 位置:黑龙江肇源城内,六楼,视野开阔 中波 585khz ? 中 603khz ? 弱 621khz 黑龙江...
BCL
#调频
#中波
广播发烧网
·
2006-07-11 00:00
0
2172
0
«
1
...
8
9
10
11
12
13
14
»