广播发烧网
首页
玩机交流
交流
评测
故事
收音机
机型研究
电路及维修
相关附件
数码时代
网络收音机
智能收音机
收音机APP
电波动态
BCL
动态
QSL
登录
首页
玩机交流
交流
评测
故事
收音机
机型研究
电路及维修
相关附件
数码时代
网络收音机
智能收音机
收音机APP
电波动态
BCL
动态
QSL
登录
一个专门探讨收音机、无线电资源的广播发烧友网站
首页
标签:700
9700DX的音色调较以及摩机的探讨
昨天晚上及今天仔细研究了9700DX的电路图,一点心得体会,写出来大家探讨,如果有错误的地方,欢迎指正。9700有着独特的音色,总体来说比较亮,特别是用喇叭的时...
电路及维修
#700
广播发烧网
·
2004-07-02 00:00
0
2549
0
关于1102、1103、9700中波收听比较
频率: 信号强度 广播电台 &nb...
评测
#700
#中波
广播发烧网
·
2004-06-06 00:00
0
2137
0
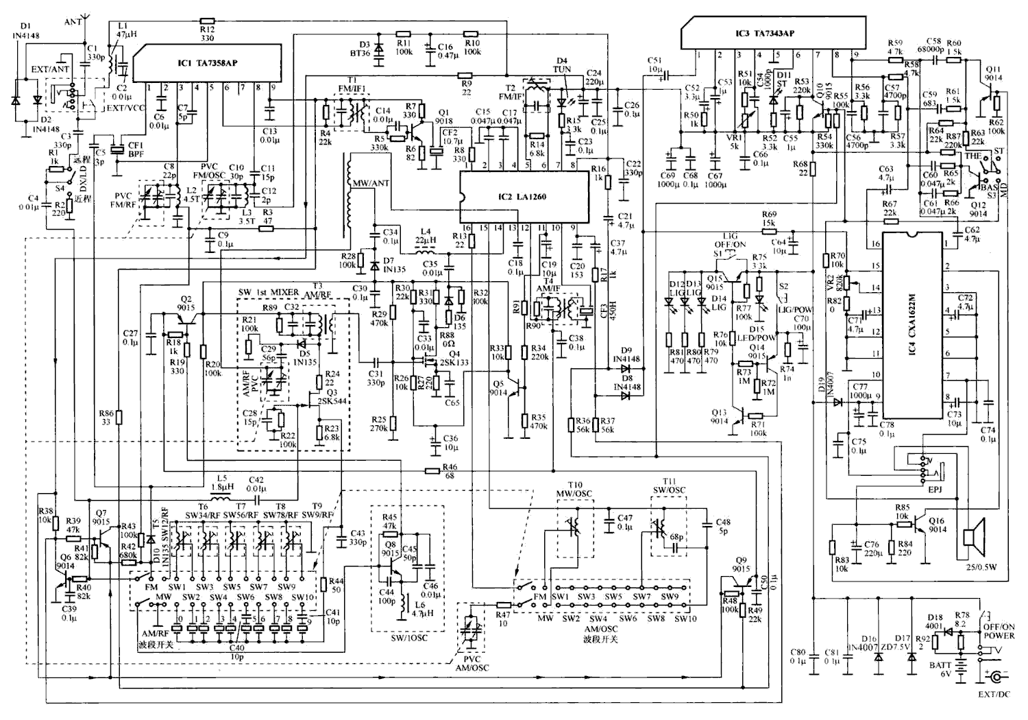
DE1103.BCL2000.R9700DX电路图
分别是DE1103 BCL2000 R9700DX
电路及维修
#BCL
#700
广播发烧网
·
2004-05-16 00:00
0
2925
0
PL550、BCL2000、R9700DX性能对比。
PL550到手已经快半月了,加上我原有的9700DX、BCL2000,我现在有三台德生的机机了。一直想把这三款机机做个比较,但又自觉不是专业人士,无奈心中有话不...
评测
#BCL
#700
广播发烧网
·
2004-02-02 00:00
0
2832
0
1
2
3
4
5
6