广播发烧网
首页
玩机交流
交流
评测
故事
收音机
机型研究
电路及维修
相关附件
数码时代
网络收音机
智能收音机
收音机APP
电波动态
BCL
动态
QSL
登录
首页
玩机交流
交流
评测
故事
收音机
机型研究
电路及维修
相关附件
数码时代
网络收音机
智能收音机
收音机APP
电波动态
BCL
动态
QSL
登录
一个专门探讨收音机、无线电资源的广播发烧友网站
首页
标签:PL600
PL600和PL550对比
因为最近天气不好,我又脑子发热,不仅买了PL550,还从唐山的一个卖家买了铁灰色的PL600。PL600是上午到的,中午和下午,进行了简单的对比。 &...
评测
#PL600
广播发烧网
·
2008-02-25 00:00
0
2478
0
找出PL600破音的原因了
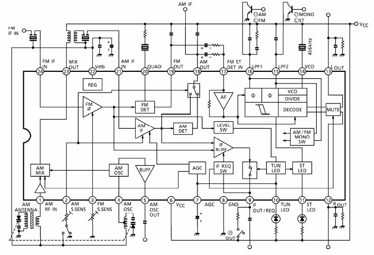
我的PL600戴耳机听FM,在大动态音乐时会破音,很难受原以为是中频或者鉴频没有调好,结果调了一下没有改善。把耳机接到示波器的CH-1输出端,用示波器当放大器接...
电路及维修
#PL600
广播发烧网
·
2008-02-25 00:00
0
2362
0
08年2月23日晚PL600辽宁省辽阳市中波波段收听记录
地点:辽宁省辽阳市市内收听时间:21:08开始收听波段:AM522KHZ-AM1620KHZ(听不懂的没列入在内)频率 &nb...
BCL
#PL600
#中波
广播发烧网
·
2008-02-25 00:00
0
2204
0
DE1103、PL600、7600GR音色对比视频
评测
#PL600
#7600
广播发烧网
·
2008-02-24 00:00
0
2046
0
DE1103、PL600、7600GR耳机音质输出测试
德劲DE1103、德生PL600、索尼7600GR三台机子俺一直都没有对其的耳机输出进行过测试,今晚闲暇有空,特对上述机子进行了聆听对比,因平时听机都很少用耳机...
相关附件
#PL600
#7600
广播发烧网
·
2008-02-23 00:00
0
932
0
青山公园携pl600游春
今天下午4点半,一觉醒来,携机步行到青山公园转转,攀登上假山一处凉亭,也就是公园最高的地方,大概相当于周围4楼的高度,一些男女学生在游玩,打开收音机,按下调频波...
评测
#PL600
广播发烧网
·
2008-02-17 00:00
0
1950
0
德生PL600 春节使用记
1.购机价格:德生春节邮购价456(含中波环,8节镍氢电池,特快专递发货)相对商场是优惠价,相对淘宝是平价,发货快速准确,包装可靠。 2.是第一批购买的机子,经...
评测
#德生
#PL600
广播发烧网
·
2008-02-11 00:00
0
2525
0
德生新机 PL600 初体验
百年不遇的雪灾,使得俺初三才收到这个德生的新机...这是个旧瓶装新酒的鸡鸡,套用了PL550的外形设计,新的PL600没有采用新的外形设计多少有些遗憾,好在这老...
评测
#德生
#PL600
广播发烧网
·
2008-02-10 00:00
0
2676
0
德生PL600使用体会
1.购机价格:德生春节邮购价456(含中波环,8节镍氢电池,特快专递发货)相对商场是优惠价,相对淘宝是平价,相对德生穷发烧友的期望是“不厚道价”(柔人语),发货...
评测
#德生
#PL600
广播发烧网
·
2008-02-10 00:00
0
2896
0
山野乱听PL600
今日有空,天气也很不错,携PL600去山野的一个小山村转了一圈。小山村空气很好,积雪也有很多没有融化,看上去很是安静! 我的PL600是年...
交流
#PL600
广播发烧网
·
2008-02-10 00:00
0
2264
0
«
1
2
3
4
5
6
7
»